Бесплатная библиотека стандартов и нормативов www.docload.ru

Все документы, размещенные на этом сайте, не являются их официальным изданием и предназначены исключительно для ознакомительных целей.
Электронные копии этих документов могут распространяться без всяких ограничений. Вы можете размещать информацию с этого сайта на любом другом сайте.
Это некоммерческий сайт и здесь не продаются документы. Вы можете скачать их абсолютно бесплатно!
Содержимое сайта не нарушает чьих-либо авторских прав! Человек имеет право на информацию!

 

ГОСТ 16980-82

Фуражки форменные. Технические условия

Обозначение стандарта:ГОСТ 16980-82
Статус стандарта:действующий
Название рус.:Фуражки форменные. Технические условия
Название англ.:Uniform caps. Specifications
Дата введения в действие:01.01.1983
Область и условия применения:Настоящий стандарт распространяется на форменные фуражки для военнослужащих Вооруженных Сил СССР, сотрудников органов МВД, КГБ и вспомогательного флота ВМФ
Взамен:ГОСТ 16980-71
Список изменений:№1 от --1988-03-01 (рег. --1987-06-29) «Срок действия продлен»
c=&f2=3&f1=II001&l='>ОКС Общероссийский классификатор стандартов
  • c=&f2=3&f1=II001061&l='>61 ШВЕЙНАЯ ПРОМЫШЛЕННОСТЬ
  • c=&f2=3&f1=II001061040&l='>61.040 Головные уборы. Аксессуары. Застежки для одежды *Включая галстуки, перчатки, шарфы, платки, пояса, подтяжки, пуговицы, молнии, пряжки, зонты и т.д. *Защитные головные уборы см.13.340.20 *Защитные перчатки см. 13.340.40
  • c=&f2=3&f1=II002&l='>КГС Классификатор государственных стандартов
  • c=&f2=3&f1=II002011&l='>М Текстильные и кожевенные материалы и изделия
  • c=&f2=3&f1=II002011003&l='>М3 Швейные изделия
  • c=&f2=3&f1=II002011003008&l='>М38 Прозодежда, спецодежда и форменная одежда из тканей


  • ГОСТ 16980-82
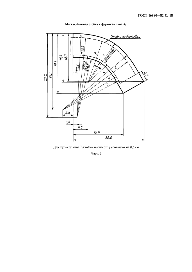
    ГОСТ 16980-82
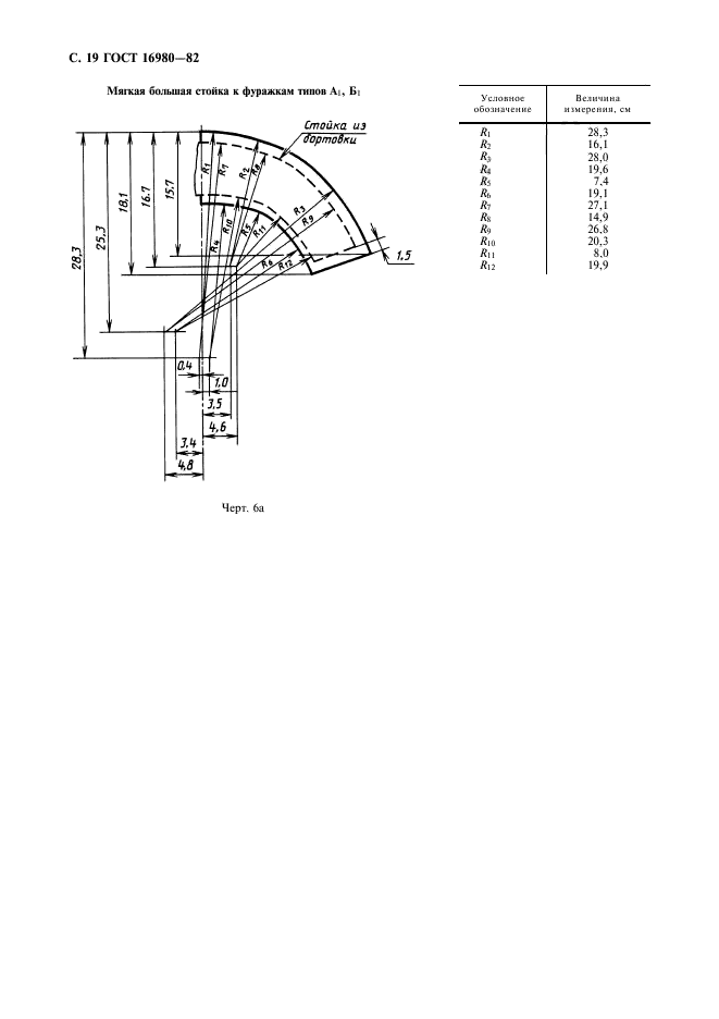
    ГОСТ 16980-82
    ГОСТ 16980-82
    ГОСТ 16980-82
    ГОСТ 16980-82
    ГОСТ 16980-82
    ГОСТ 16980-82
    ГОСТ 16980-82
    ГОСТ 16980-82
    ГОСТ 16980-82
    ГОСТ 16980-82
    ГОСТ 16980-82
    ГОСТ 16980-82
    ГОСТ 16980-82
    ГОСТ 16980-82
    ГОСТ 16980-82
    ГОСТ 16980-82
    ГОСТ 16980-82
    ГОСТ 16980-82
    ГОСТ 16980-82
    ГОСТ 16980-82
    ГОСТ 16980-82
    ГОСТ 16980-82
    ГОСТ 16980-82
    ГОСТ 16980-82
    ГОСТ 16980-82
    ГОСТ 16980-82





    Rambler's Top100 яндекс цитировани¤
      Copyright © 2008-2026, www.docload.ru